Магазин запчастей для бытовой техники - Arlos
Москва
close
Выберите ваш регион
АбаканАлександровАльметьевскАнгарскАрзамасАрмавирАртемАрхангельскАстраханьАчинскБалаковоБалашихаБеларусьБелгородБердскБерезникиБийскБлаговещенскБратскБрянскВеликий НовгородВидноеВладивостокВладикавказВладимирВолгоградВолгодонскВолжскийВологдаВолховВоркутаВоронежВоскресенскВыборгГатчинаГеленджикГрозныйДедовскДербентДзержинскДзержинскийДимитровградДмитровДолгопрудныйДомодедовоДонецкЕвпаторияЕгорьевскЕкатеринбургЕлецЕссентукиЖелезногорскЖелезнодорожныйЖуковскийЗеленоградЗлатоустИвановоИвантеевкаИжевскИркутскИстраЙошкар-ОлаКазаньКалининградКалугаКаменск-УральскийКамышинКаспийскКемеровоКерчьКировКисловодскКлинКовровКоломнаКомсомольск-на-АмуреКопейскКоролёвКостромаКотельникиКрасногорскКраснодарКраснознаменскКрасноярскКурганКурскКызылЛенинск-КузнецкийЛипецкЛобняЛыткариноЛюберцыМагнитогорскМайкопМалаховкаМахачкалаМиассМоскваМурманскМуромМытищиНабережные ЧелныНазраньНальчикНаро-ФоминскНахабиноНаходкаНевинномысскНефтекамскНефтеюганскНижневартовскНижнекамскНижний НовгородНижний ТагилНовокузнецкНовокуйбышевскНовомосковскНовороссийскНовосибирскНовоуральскНовочебоксарскНовочеркасскНовошахтинскНовый УренгойНогинскНорильскНоябрьскОбнинскОдинцовоОктябрьскийОмскОрелОренбургОрехово-ЗуевоОрскПавловский ПосадПензаПервоуральскПермьПетрозаводскПетропавловск-КамчатскийПодольскПрокопьевскПсковПушкиноПятигорскРаменскоеРеутовРостов-на-ДонуРубцовскРыбинскРязаньСакиСалаватСамараСанкт-ПетербургСаранскСаратовСевастопольСеверодвинскСеверскСергиев ПосадСерпуховСимферопольСмоленскСосновый БорСочиСтавропольСтарый ОсколСтерлитамакСтупиноСургутСызраньСыктывкарТаганрогТамбовТверьТихвинТольяттиТомилиноТомскТроицкТулаТюменьУлан-УдэУльяновскУссурийскУсть-ИлимскУфаУхтаФеодосияФрязиноХабаровскХанты-МансийскХасавюртХимкиЧебоксарыЧелябинскЧереповецЧеркесскЧеховЧитаШахтыЩелковоЭлектростальЭлистаЭнгельсЮжно-СахалинскЯкутскЯлтаЯрославль
  • - бесплатно по РФ
    Автоперезвон. Работает по принципу: Вы позвонили на номер, мы сбрасываем звонок и перезваниваем через 3 секунды.
  • - по Москве
  • 8 (925) 663-83-63

Call-центр

пн-вс: 10:00-19:00

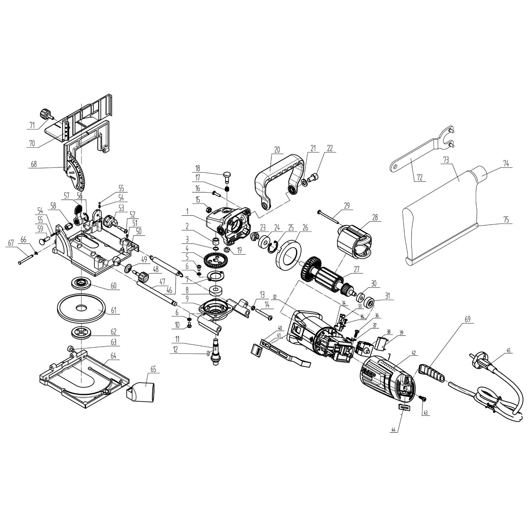
Фрезер ламельный ФПЛ-950К

Данная модель имеет несколько схем

NАртикулНазваниеСрок отгрузкиЦенаКупить
T10 U009-600-0RS Подшипник шариковый 6000-2RS (26х10х8) U009-600-0RS для пил ПД-55, ПЦ-2240 306 р.
1 N000-030-939 Корпус редуктора 466 р.
1.03 U009-629-RS0 Подшипник шариковый 629-2Z (26х9х8) U009-629-RS0 294 р.
1.09 U009-607-RS0 Подшипник шариковый 607 RS (19х7х6) U009-607-RS0 для болгарок УШМ-П125-850, AGS-125-1000 286 р.
2 U503-951-016 Втулка D12хd8х10 U503-951-016 для ФПЛ-950К, ЗУШМ-125-950_z01 115 р.
2.023 U353-110-006 Шпонка сегментная 3х10 U353-110-006 для ПБЦ-370 35П, ЗДУ-580 ЭРКМ2 92 р.
3 N000-019-884 Кольцо стопорное D10
4 U503-720-013 Шестерня ведомая D49хd10 Z37 U503-720-013 для ФПЛ-950К, УШМ-125-950 М3, ЗУШМ-125-800_z01 393 р.
5 N000-020-649 Винт M4x8
6 N000-026-846 Шайба пружинная D4
7 U503-951-012 Фиксатор подшипника шпинделя 25 р.
9 N000-030-940 Крышка корпуса редуктора 345 р.
10 N000-027-257 Винт
11 N000-030-941 Шпиндель 201 р.
13 N000-027-164 Гайка
14 N000-020-815 Винт M5x40 15 р.
15 UM05-001-004 Гайка M6 (автогровер) 92 р.
17 U503-140-023 Пружина стопора D9xh13 U503-140-023 для болгарок УШМ-115-800 М3, УШМ-125-950 М3 92 р.
18 N000-030-942 Стопор 43 р.
18.1 U253-600-029 Втулка подшипника 607 резиновая U253-600-029 92 р.
19 N000-019-904 Кольцо стопорное D5
20 N000-030-943 Рукоятка
21 N000-018-462 Шайба D8
22 N000-027-209 Болт M8х14 HEX с фланцем и шестигранной головкой 107 р.
23 U503-720-024 Шестерня ведущая D19x11,58mm, Z=12 U503-720-024 для ФПЛ-950К, УШМ-125-950 М3 265 р.
25 N000-017-189 Кольцо стопорное D26 сжимное
26 U503-720-028 Защита статора 94 р.
27 N000-030-944 Ротор 1.563 р.
28 U503-720-032 Статор D57.5x44 1.140 р.
29 N000-024-890 Саморез
32 U503-720-040 Корпус двигателя 286 р.
33 U503-720-037-W Щетка графитовая (пара) 7.9х4.8х10.8 92 р.
34 V000-003-302 Выключатель V000-003-302 для ФПЛ-950К, УШМ-П125-850, ЗУШМ-125-800_z01 330 р.
34 U503-720-039 Щеткодержатель 115 р.
37 U253-120-047 Прижим шнура 92 р.
39 N000-019-847 Конденсатор 0.22uF
40 U503-720-041 Тяга выключателя 46 р.
41 N000-027-709 Клавиша (вкл/выкл) (V.2) N000-027-709 114 р.
42 U503-720-044 Крышка корпуса статора 189 р.
43 N000-023-876 Саморез
44 U503-720-045 Вставка
45 U099-004-005 Шнур сетевой резиновый 2х0.75мм 2м 189 р.
46 N000-030-945 Пружина
47 N000-030-946 Шток
48 N000-030-947 Винт-барашек
50 N000-030-949 Основание верхнее (элемент)
51 N000-018-643 Винт M4x6
53 N000-030-951 Упор револьверный
54 N000-030-952 Пружина
55 U261-122-013 Шарик стальной D3 84 р.
56 N000-025-279 Кольцо стопорное D8
57 N000-030-953 Фиксатор
59 N000-018-136 Болт M6х20
60 N000-030-955 Фланец верхний прижимной 128 р.
61 N000-030-956 Фреза
62 N000-030-957 Прижимной фланец нижний 116 р.
63 N000-030-958 Заглушка резиновая
64 N000-030-959 Основание нижнее (элемент) 683 р.
65 N000-030-960 Пылеотвод
66 UM06-000-002 Кольцо стопорное D3 92 р.
67 N000-030-961 Штифт
68 N000-030-962 Шкала угловая
69 U098-004-026 Воротник шнура 92 р.
70 N000-030-963 Упор высоты
71 N000-030-964 Винт-барашек
73 N000-030-965 Мешок для пыли в сборе
Найдено товаров: 66
1
▲ Наверх
0
8 (925) 663-83-63

Call-центр

пн-вс: 10:00-19:00

НАЙТИ ПО МОДЕЛИ
Введите номер заказа
Введите номер своего заказа, что бы узнать его текущий статус.
Что бы получить доступ к расширенным функциям, пройдите не сложную регистрацию. Зарегистрироваться