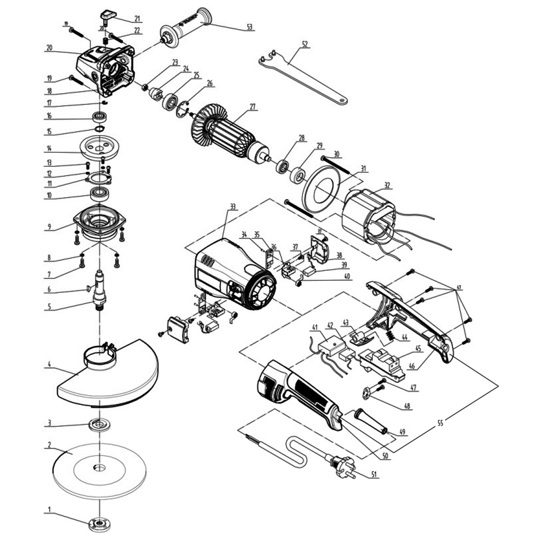
УШМ (Болгарка), 180 мм УШМ-180-1800 ПМ3
Данная модель имеет несколько схем
N Артикул Название Срок отгрузки Цена Купить
U353-115-001
Фланец прижимной внешний M14 U353-115-001 для SAG-180-1800, УШМ-П125-1000
100 р.
1.03
U009-629-RS0
Подшипник шариковый 629-2Z (26х9х8) U009-629-RS0
294 р.
1.20
U009-608-RS0
Подшипник шариковый 608-2RS (22х8х7) U009-608-RS0 для пил ЗПС-850 Э, ЗПТ-210-1300-Л
306 р.
2-18
U009-620-0RS
Подшипник шариковый 6200-2RS (30x10x9) U009-620-0RS
250 р.
3
U353-001-420
Фланец внутренний D14 Ls17.5
106 р.
3
U353-115-006
Шпонка сегментная 13x5x4 U353-115-006 для ЗДМ-1200Р, УШМ-180-2005 П
114 р.
4
N000-017-150
Кожух защитный
–
5
U503-181-005
Шпиндель D24x84
418 р.
6
UM06-001-005
Кольцо разжимное D13 UM06-001-005 для ЗДМ-1200Р, ЗУШМ-230-2100П
92 р.
9
N000-017-151
Крышка корпуса редуктора
370 р.
10
U009-620-2RS
Подшипник шариковый 6202-2RS (35x15x11) n/n
189 р.
11
U253-235-013
Фиксатор подшипника шпинделя D42xh2,2
92 р.
12
UM04-001-003
Шайба-гровер D5
92 р.
13
UM01-000-037
Винт M5x19
92 р.
14
N000-017-152
Шестерня ведомая D57хL19хZ39
511 р.
17
U503-140-023
Пружина стопора D9xh13 U503-140-023 для болгарок УШМ-115-800 М3, УШМ-125-950 М3
92 р.
17
N000-017-154
Кольцо стопорное D5 Е-образное
–
18
N000-017-155
Корпус редуктора N000-017-155 для УШМ-180-1800 ПМ3, УШМ-230-2100 ПМ3
885 р.
21
U503-140-022
Штифт блокировки вала
112 р.
21.C
N000-017-158
Штифт блокировки вала с кнопкой в сборе N000-017-158 для УШМ-180-1800 ПМ3, УШМ-230-2100 ПМ3
128 р.
23
N000-017-159
Гайка M8
–
24
N000-017-160
Шестерня ведущая D20 h16.7 Z12
280 р.
26
UM06-002-002
Кольцо стопорное сжимное D34
28 р.
27
U503-181-029
Ротор КДС D55x48
3.875 р.
27
U503-181-029-2
Ротор КДС D55x48
4.055 р.
29
U253-235-032
Втулка подшипника 629 резиноваяD30x9
133 р.
31
U503-181-034
Диффузор D87.5х51
85 р.
32
N000-017-161
Статор КД
2.053 р.
33
N000-017-162
Корпус двигателя
962 р.
36
U503-181-041
Щеткодержатель c пружиной
334 р.
38
U503-181-045-W
Щетка графитовая (пара) 7х12х19 U503-181-045-W для ЗУШМ-180-1800П_z01, ЗШ-П45-2100 ПВТК
428 р.
38
U503-181-044
Крышка щеткодержателя
46 р.
40
V000-004-294
Блок плавного 250V~ 50Hz V000-004-294 для ЗИЭ-40-2500, ЗУШМ-180-1800П_z01
477 р.
42
N000-017-164
Конденсатор 0.47uF
–
43
U503-181-051
Кнопка фиксатора
286 р.
44
U503-181-052
Пружина
189 р.
45
V000-003-265
Выключатель S230B 12(12)A 250V ~ 5E4
499 р.
46
N000-017-169
Рукоятка правая половина
340 р.
48
N000-017-167
Прижим кабеля
–
49
N000-017-168
Рукав кабеля
–
50
N000-017-165
Рукоятка левая половина
340 р.
51
N000-017-170
Кабель
–
52
N000-017-171
Ключ
–
53
N000-017-172
Рукоятка боковая
–
55
N000-017-165-C
Рукоятка в сборе левая и правая часть
594 р.