8 (925) 663-83-63Call-центр
пн-вс: 10:00-19:00
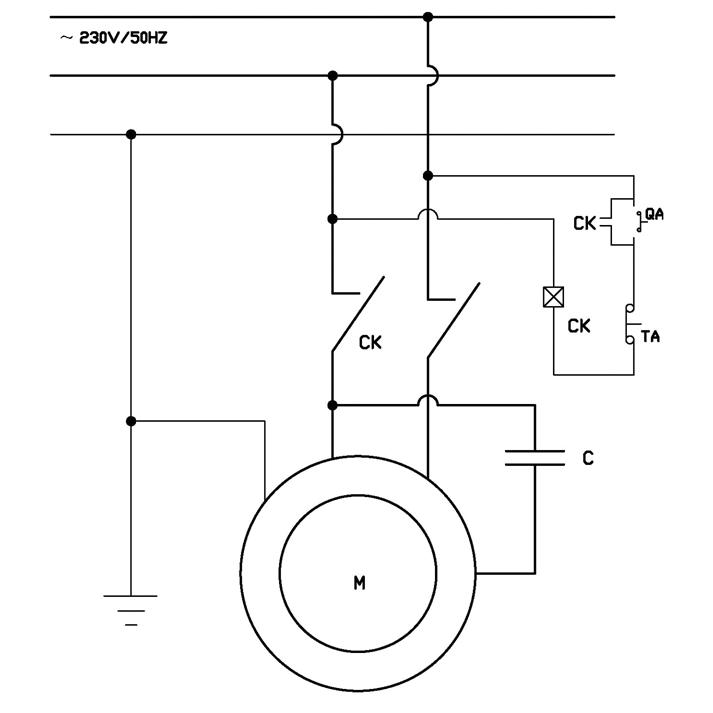
Данная модель имеет несколько схем
| N | Артикул | Название | Срок отгрузки | Цена | Купить |
| U009-600-2RS | Подшипник шариковый 6002-2RS (32x15x9) CCEB U009-600-2RS | 404 р. | |||
| 1 | N000-021-843 | Шайба D6 | – | ||
| 2 | N000-021-844 | Болт | – | ||
| 3 | N000-021-845 | Винт | – | ||
| 4 | N000-021-846 | Указатель угла наклона | – | ||
| 4 | N000-021-872 | Фланец внешний D50x25.4 N000-021-872 для ЭП-200-800С, СП-620 | 148 р. | ||
| 5 | N000-021-847 | Винт-барашек | – | ||
| 6 | N000-021-869 | Фланец внутренний D50x25.4 N000-021-869 для ЭП-200-800С, СП-620 | 148 р. | ||
| 6 | N000-021-848 | Шайба | – | ||
| 7 | N000-021-849 | Болт | – | ||
| 8 | N000-021-850 | Стойка | – | ||
| 9 | N000-021-851 | Кабель-канал гибкий (30 звеньев) | 2.161 р. | ||
| 10 | N000-021-852 | Профиль направляющий L690 N000-021-852 для ЭП-200-800С, СП-620 | 3.681 р. | ||
| 10 | V000-003-284 | Выключатель электромагнитный V000-003-284 для ЗЭП-1100С, ЭП-200-1000Н, СП-620 | 490 р. | ||
| 11 | N000-021-853 | Указатель | – | ||
| 12 | N000-021-854 | Винт | – | ||
| 13 | N000-021-855 | Крышка | 639 р. | ||
| 14 | N000-021-856 | Саморез | – | ||
| 15 | N000-021-857 | Шайба | – | ||
| 16 | N000-021-858 | Прокладка | 318 р. | ||
| 17 | N000-021-859 | Хомут конденсатора | – | ||
| 18 | N000-021-860 | Саморез | – | ||
| 19 | N000-021-861 | Шайба | – | ||
| 20 | N000-021-862 | Коробка выключателя | – | ||
| 22 | N000-021-863 | Винт M5 | – | ||
| 25 | N000-021-864 | Винт | – | ||
| 26 | N000-021-865 | Ограничитель | – | ||
| 27 | N000-021-866 | Рукоятка | – | ||
| 28 | N000-021-867 | Ручка | – | ||
| 30 | N000-021-868 | Кожух диска | – | ||
| 32 | N000-021-870 | Диск 200x25.4x2.4mm | – | ||
| 34 | N000-021-873 | Гайка | – | ||
| 35 | N000-021-874 | Крышка кожуха | – | ||
| 37 | N000-021-875 | Пластина монтажная | – | ||
| 38 | N000-021-876 | Упор угловой в сборе с набором для крепежа | – | ||
| 39 | N000-021-877 | Винт-барашек | – | ||
| 40 | N000-021-878 | Упор профилированный большой | – | ||
| 41 | N000-021-879 | Болт | – | ||
| 42 | N000-021-880 | Упор профилированный малый | – | ||
| 43 | N000-021-881 | Фиксатор | – | ||
| 44 | N000-021-882 | Винт-барашек | – | ||
| 45 | N000-021-883 | Столешница | – | ||
| 46 | N000-021-884 | Поддон-основание | 577 р. | ||
| 47 | N000-021-885 | Винт | – | ||
| 48 | N000-021-886 | Кронштейн 1 | – | ||
| 49 | N000-021-887 | Кронштейн 2 | – | ||
| 50 | N000-021-888 | Опора 1 | – | ||
| 51 | N000-021-889 | Ножка резиновая | – | ||
| 52 | N000-021-890 | Опора 2 | – | ||
| 53 | N000-021-891 | Винт стопорный | – | ||
| 54 | N000-021-892 | Шайба | – | ||
| 55 | N000-021-893 | Шайба-гровера | – | ||
| 56 | N000-021-894 | Винт | – | ||
| 58 | N000-021-895 | Гайка | – | ||
| 59 | N000-021-896 | Кронштейн 3 | – | ||
| 60 | N000-021-897 | Гайка-барашек | – | ||
| 61 | N000-021-898 | Кронштейн колодки | – | ||
| 62 | N000-021-899 | Кронштейн 4 | – | ||
| 63 | N000-021-900 | Гайка | – | ||
| 64 | N000-021-901 | Гайка | – | ||
| 65 | N000-021-902 | Кронштейн | – | ||
| 66 | N000-021-903 | Винт M5 | – | ||
| 67 | N000-021-904 | Винт | – | ||
| 69 | N000-021-905 | Гайка | – | ||
| 70 | N000-021-906 | Кольцо уплотнительное | – | ||
| 72 | N000-021-907 | Винт | – | ||
| 73 | N000-021-908 | Кожух брызгозащитный | – | ||
| 74 | N000-021-909 | Пластина | – | ||
| 75 | N000-021-910 | Гайка-барашек | – | ||
| 76 | N000-021-911 | Гайка | – | ||
| 77 | N000-021-912 | Каретка | – | ||
| 78 | N000-021-913 | Уголок | – | ||
| 79 | N000-021-914 | Гайка | – | ||
| 80 | N000-021-915 | Кронштейн | – | ||
| 81 | N000-021-916 | Винт | – | ||
| 82 | N000-021-917 | Воротник шнура | – | ||
| 83 | N000-021-918 | Колодка клеммная | – | ||
| 84 | N000-021-919 | Шайба | – | ||
| 85 | N000-021-920 | Винт | – | ||
| 86 | V000-007-544 | Конденсатор 25мкФ 450В | 406 р. | ||
| 87 | N000-021-922 | Сальник D30xd17x5 | 104 р. | ||
| 88 | N000-021-923 | Крышка передняя | 232 р. | ||
| 89 | N000-021-924 | Ротор АДА | 2.045 р. | ||
| 90 | N000-021-925 | Статор АДА в сборе с корпусом | 9.016 р. | ||
| 91 | N000-021-926 | Крышка задняя | 232 р. | ||
| 92 | N000-021-927 | Винт | – | ||
| 93 | N000-021-928 | Крыльчатка | – | ||
| 95 | N000-021-929 | Защита статора | 894 р. | ||
| 97 | N000-021-931 | Ключ гаечный | 98 р. | ||
| 98 | N000-021-932 | Ключ гаечный большой | – | ||
| 99 | N000-021-933 | Цепочка | – | ||
| 100 | N000-021-934 | Гайка | – | ||
| 101 | N000-021-935 | Стержень шестигранный | – | ||
| 102 | N000-021-936 | Пробка | – | ||
| 103 | V000-001-019 | Насос СОЖ 220В 5Вт | 851 р. | ||
| 104 | N000-021-938 | Трубка СОЖ | – | ||
| 105 | N000-021-939 | Шнур сетевой H05RN-F Rubber 3Gх1.0мм2 2м | – | ||
| 106 | N000-021-940 | Шкала транспортирная 45° | – | ||
| 107 | N000-021-941 | Кольцо уплотнительное D45х1.8 | – | ||
| 108 | N000-021-942 | Шайба D5 | – | ||
| 109 | N000-021-943 | Шайба D5 плоская | – | ||
| 112 | N000-022-421 | Брызговик передний | – |
| Найдено товаров: 102 |
|
8 (925) 663-83-63 Call-центр
пн-вс: 10:00-19:00
| Введите номер заказа |
| Введите номер своего заказа, что бы узнать его текущий статус. Что бы получить доступ к расширенным функциям, пройдите не сложную регистрацию. Зарегистрироваться |